儲熱水槽 (客製桶槽)

和利斯特 WTOsolar 幫助您規劃設計提高儲熱水槽熱水能源使用效率的改善。

儲熱水槽旨在幫助減少熱源的循環,儲存一定量的熱能及防止因待機熱而損失的一些能量以供以後需要時使用的熱水容器。

建議定期維護目視檢查水箱,至少每月一次。每隔三年,至少應再次對儲熱水槽進行排空、沖洗和專業檢查。檢查必須評估安全和環安問題、結構和塗層狀況以及明顯的衛生問題 (例如生物膜 / 沉積物堆積)。

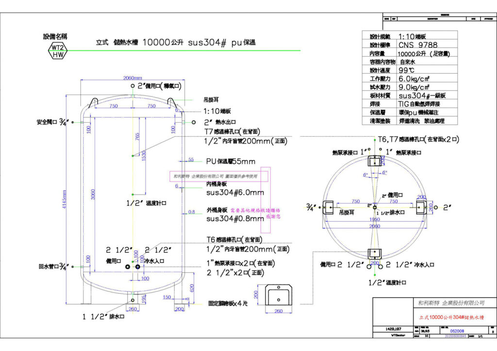
保溫儲熱水槽客製化大小容量、規劃、設計、製造:30~30000公升以上。

  • 和利斯特 專業40年可靠度技術、誠信竭誠為您服務。
  • ISO 9001 品質管理系統認證優甲製造廠,認證編號 5A0Y017-07。
  • 客製化大小容量 (太陽能、電能、熱泵、空調) 儲熱水槽、立式、臥式、開放式、密閉式保溫儲熱水槽規劃設計製造:30~30000公升以上。
  • 桶槽製作須置入電熱器、人孔、熱交換盤管或增減配管位置、口徑者均可設計承製。

和利斯特 WTOsolar 高能源效率儲熱水槽可以將儲存的熱量更長期保留,從而降低能源成本。

  • 可依需求板材選用、水源壓力、熱水溫度、使用壓力,提供正確應用嚴謹設計熱水系統;為客戶提供值得信賴的檢驗與測試數據,以確保符合產品品質要求。
  • 大直徑桶槽專用十字臂自動精準TIG 氬焊焊接設備,確保產品優質焊接。
  • 環保型 PU 壓力灌注機器設備,確保產品保溫性能、高密度低導熱係數,極低能源損耗。